网站首页
关于我们
产品中心
工程业绩
新闻中心
技术文章
服务体系
联系我们
产品中心
格栅、输送压榨系列
栅渣输送与压榨系列
沉砂池及砂水分离系列
沉淀池刮吸泥机系列
脱水机系列、加药混合系列
深度处理系列
闸门、启闭机系列
给水水质净化设备
搅拌机系列
曝气器系列
填料等材料
环保配件
当前位置:
首页 > 产品中心 >
NJL内进流式孔板格栅除污机
用途与简介
NJL型内进流式孔板格栅除污机可广泛应用于城市污水处理、自来水行业的进水拦污和相关工业废水,如造纸、屠宰、食品等废水处理中的固液分离。
该设备可连续拦截并清除流体中固体杂物,并且采用超高分子材料用于拦截栅板上,该种密布圆孔的栅板其它类型格栅板捕获率高且栅渣易于清理,且能有效去除更多种类的栅渣,特别是扁平的固体如杂草、瓜子、纸片等,尤其是传统格栅难以拦截的毛发纤维类栅渣,可大大降低后续处理工序的负荷。特别是对采用MBR膜处理工艺,其拦截效果大大提高工作效率及有效的减少工艺设备的维护次数。
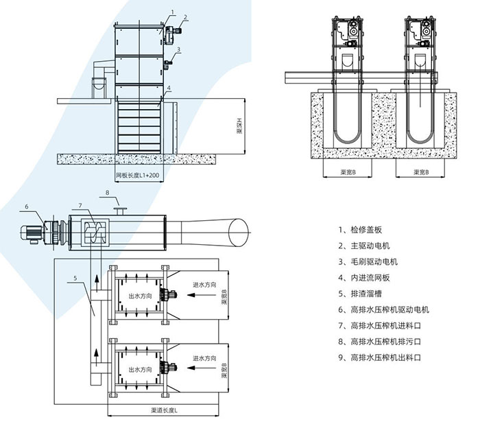
主要结构和工作原理
NJL型内进流式孔板格栅除污机主要由驱动装置、机架、牵引链条、带提升阶梯的网板、冲洗系统及电气控制柜等主要部件组成。
机架安装于格栅渠的中央,机架两侧与格栅渠之间的间隙为格栅滤后出水的通道。在机架的迎水端两侧与渠壁间布置了导流挡板,其在导流的同时,可防止污水短流由滤前直接进入滤后。机架下部迎水端开有一个进水洞口,其对侧为封闭端。污水由进水洞口流入机内后经两侧网板流出,并经两侧出水通道汇入机后渠道中。驱动电机安装在机架正向的输出轴上,两侧网板在传动链条的带动下,自下而上将其长度范围内截留的污物向上提取,抵达上部时,通过链轮的转向功能,在顶置的冲洗装置的冲洗水作用下,自动完成卸污工作,渣水排入两侧网板之间的集渣槽后自流排出机外。
主要特点
1、高捕获率:独特的进水方式,保证高效捕获各类细小栅渣。
2、流量大:单道栅板的过水设计,大大提高过水流量和减少水头损失。
3、节省空间:垂直安装有效节省空间。
4、易维护:栅板的插入式安装,便于拆卸和更换。
5、整机安装,无须改动原有土建结构,适合老设备的更新。
6、不会将栅渣带到格栅后,除污效果好。
7、特殊规格另行设计。
型号说明
设备规格及技术参数
安装示意图
订货须知
1、详细注明设备的渠宽、渠深、网板孔隙和出渣高度。
2、控制箱另订、分液位差控制箱和时间控制,或者两者一起控制。
3、未注明材质的均按照不锈钢制作。
·下一个:
RSG 渠箱螺旋式机械格栅
·上一个:
WLN内进水微滤机(旋转式微滤机)
唯实创新、追求卓越,共赢未来
关于我们
公司简介
公司简介
工程业绩
服务体系
企业文化
资质荣誉
产品中心
格栅、输送压榨系列
栅渣输送与压榨系列
沉砂池及砂水分离系列
沉淀池刮吸泥机系列
脱水机系列、加药混合系列
深度处理系列
新闻中心
技术文章
新闻中心
联系我们
联系方式
版权所有(C)2025 江苏维新环保集团有限公司 All Rights Reserved. 备案号:
苏ICP备17012674号-7
联系电话
18651011688
传真:0510-87832633
地址:江苏省宜兴市高塍镇塍文路20号
×
18651011688 谢经理